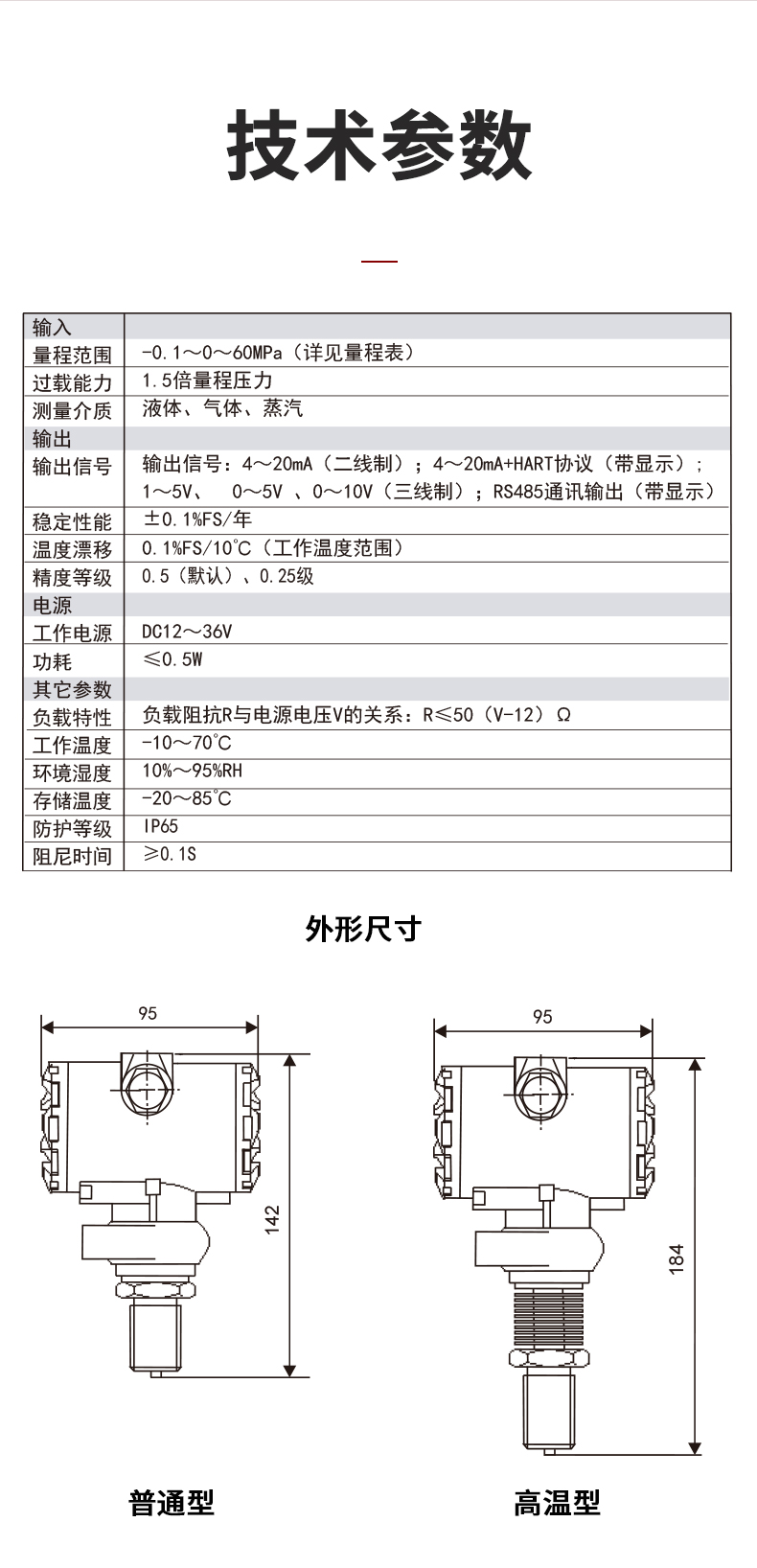
OHR-K型擴散硅壓力變送器
虹潤公司是專業生產壓力變送器的國家專精特新“小巨人”企業,生產的擴散硅壓力變送器,具有精度高,穩定性好,響應速度快,高可靠性,抗過載和抗沖擊能力強,安裝方便等特點。產品獲得一種數字顯示低功耗壓力表、一種信號發生器裝置等2項國家發明專利,主持起草工業過程控制系統用模擬輸入兩位或多位輸出儀表、工業過程測量和控制系統用壓力/差壓變送器等2項國家標準,通信系統多通道數據采集控制終端規范軍用標準,以及現場設備集成等5項智能制造國家標準。參與國際5G標準制定,取得數顯壓力表等2項相關軟件著作權。產品廣泛應用于化工、食品、制藥、電力、設備配套、供暖、水處理、樓宇等行業,需精準測量流體壓力的現場。













咨詢電話 0599-7821390
商務郵箱 hrgs@hrgs.com.cn

直接掃碼
虹潤微信客服

虹潤官方微信
fjhongrun