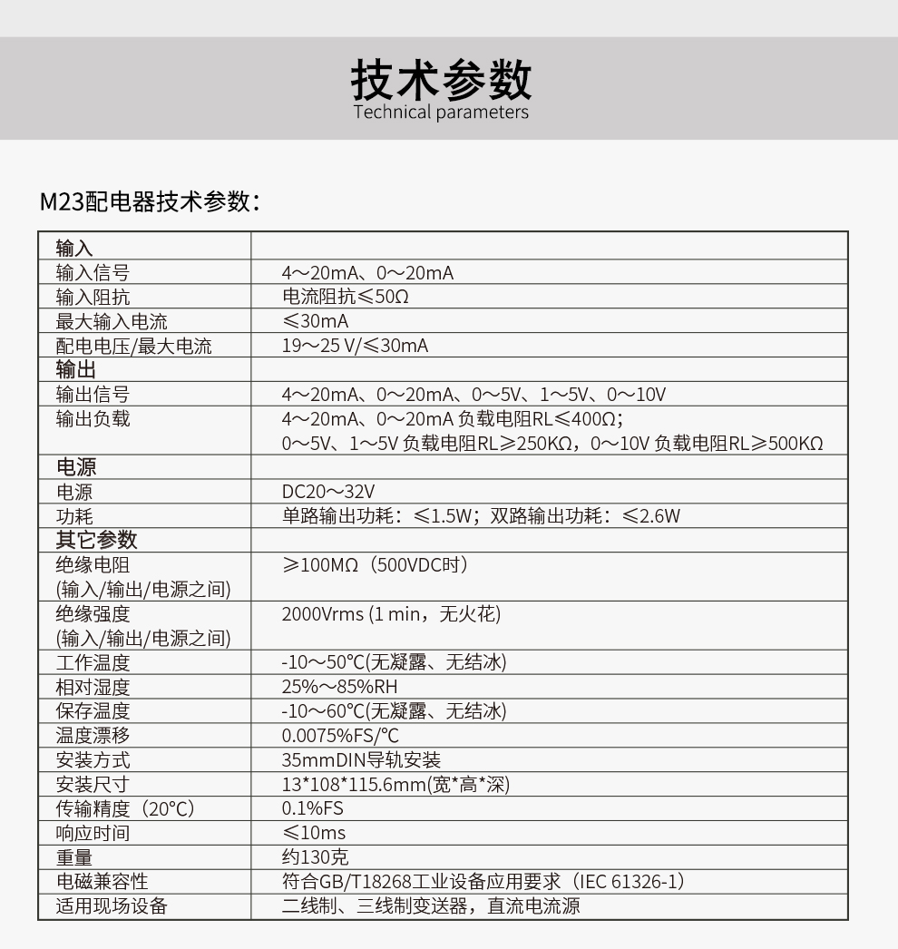
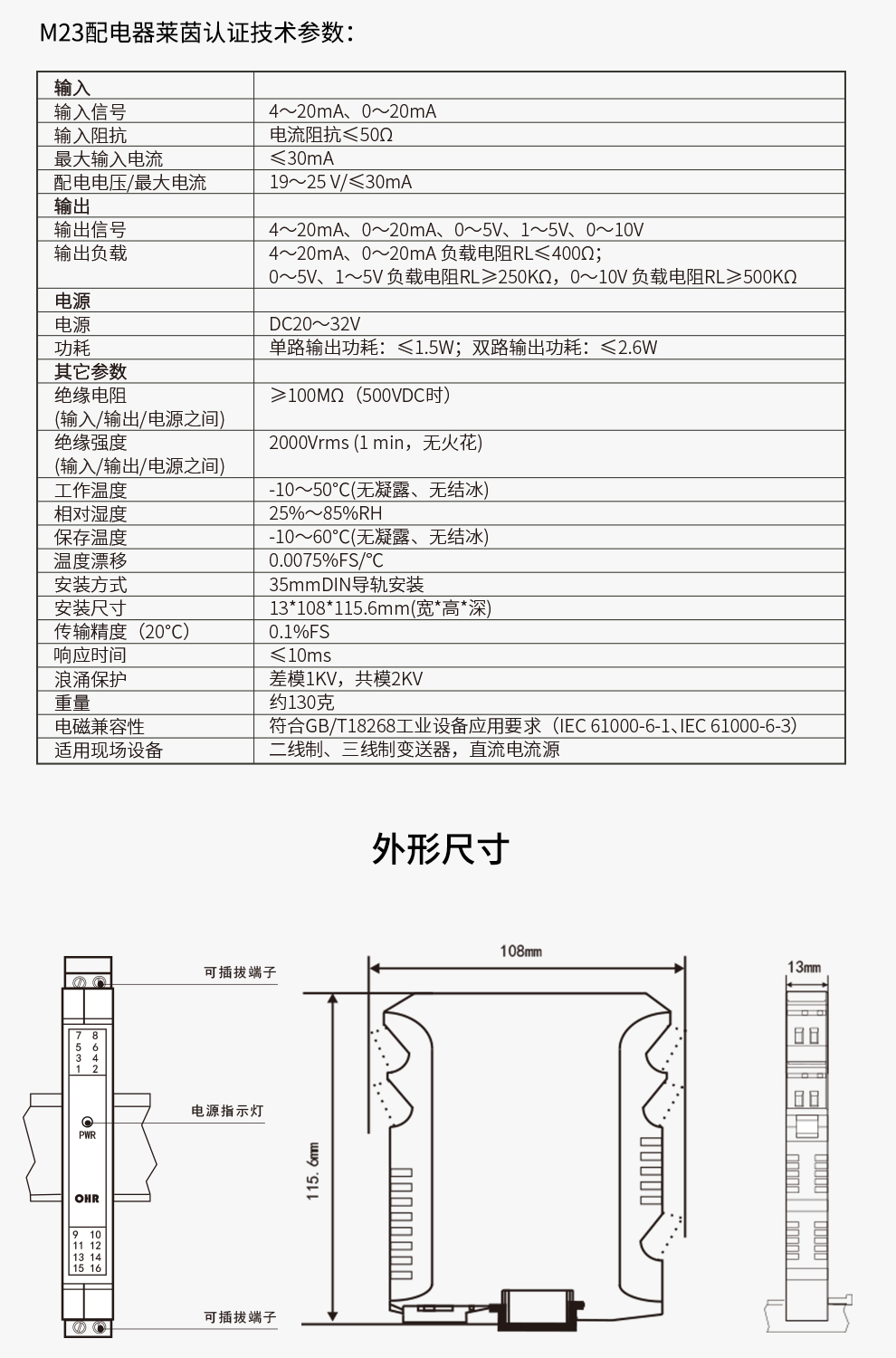
OHR-M23系列配電器
配電器給二、三線制變送器提供隔離的電源電壓,將變送器產生的直流電流信號經過隔離傳送,轉換成所需的信號給其它儀表。可以與單元組合儀表及DCS、PLC等系統配套使用,給予現場儀表信號隔離、信號轉換、信號分配、信號處理等,從而提高工業生產過程自動控制系統的抗干擾能力,保證系統的穩定性和可靠性。














1、OHR-M23系列配電器(230720).pdf使用說明書(鼠標右鍵另存下載)
2、OHR-M23系列配電器選型(鼠標右鍵另存下載)

1、隔離器與安全柵的區別是什么?
答:隔離器與安全柵最明顯的區別在于:隔離器用在普通場合,而安全柵用在防爆的場合,安全柵包括輸入端與輸出端,輸入端是危險區到安全區,輸出端是安全區到危險區。
2、隔離器與隔離柵有什么區別,在什么情況下用隔離器在什么情況下用隔離柵?
答:隔離器主要作用是隔離現場一次設備中的干擾信號,可以防止信號擾動、不準等問題;隔離式安全柵作用是隔離危險區和安全區之間的危險電壓達到防爆目的。一般常規場合都可使用隔離器;隔離式安全柵用在有危險防爆場合的現場。